Systemy gaśnicze wodne Czujni temperatury UWA-FMZ4100
Czujnik temperatury UWA-FMZ4100

Dane zamówieniowe
- Numer zamówieniowy: 901055
Konserwacja
Zalecana co 1 miesiąc.
Zastosowanie
Monitorowanie temperatury otoczenia systemów gaśniczych na gaz i wodę.
Okablowanie
- Przekrój kabla przewodzącego: Maks. 2,5 mm2
- Długość kabla: Maks. 700 m, dla średnicy przewodu 0,8 mm
Uwaga
Ten przełącznik temperatury z modułem monitorującym jest przeznaczony wyłącznie do stosowania z systemami monitorowania SUZ i FMZ.
- Do stosowania FMZ z magistralą pierścieniową MxLoop® wymagana jest karta systemu monitorowania SUX50.
- Do stosowania FMZ z magistralą pierścieniową Loop AP wymagany jest system monitorowania SUX5000 AP.
Dostawa nie obejmuje
- Kabel do wykrywania pożaru z ekranem statycznym: J-Y(ST)Y-2x2x0,8 mm, MX-BMK czerwony: 747180, E1-11-02
- Karta SUX50 systemu monitorowania: 800952, E2-46-01
- System monitorowania SUX5000 AP: 906973, E2-53-04
- Dławik kablowy M20x1,5 (opcjonalnie): 900453
- Nakrętka kontrująca M20x1,5 (opcjonalnie): 801722
- Wskaźnik równoległości LMX50 (nie dla MxLoop®): 801297
- Rezystor końcowy 1,8 kΩ / 0,5 W: 675235
- Rezystor końcowy 10 kΩ / 0,5 W: 668810
oraz materiały montażowe.
Dostawa zawiera
- Przełącznik temperatury wraz z wtyczkami izolacyjnymi i narzędziem roboczym WAGO 236 (dla X1): 804651
Opis funkcji, informacje dotyczące zastosowania i konserwacji
Czujnik temperatury UEWA-FMZ4100 jest przeznaczony do monitorowania temperatury otoczenia w systemach gaśniczych wykorzystujących gaz i wodę. Sygnał urządzenia jest wyzwalany w przypadku wzrostu temperatury powyżej ustawionego progu temperatury, a także w przypadku spadku temperatury poniżej ustawionego progu. Dzięki temu system gaśniczy jest chroniony przed uszkodzeniami spowodowanymi mrozem i/lub przegrzaniem. Czujnik temperatury jest kompatybilny z systemami Minimax FMZ5000, FMZ4100 i SUZ3000. W celu podłączenia do systemu pętli dwuprzewodowej można podłączyć moduł SUX50 (MxLoop) lub moduł SUX5000 AP (Apollo XP95/Discovery). Podłączenie do oddzielnego źródła zasilania nie jest konieczne.
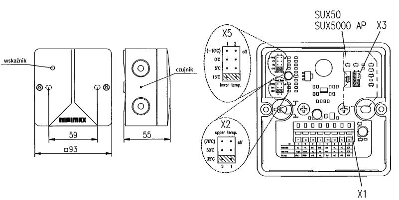
Progi temperatury można ustawić za pomocą zworek X2 i X5. X2 służy do wyboru górnego progu. Alarm jest włączany, gdy temperatura otoczenia przekroczy 35°C lub 50°C. X5 służy do ustawienia dolnej granicy, której nie można przekroczyć (0°C, 5°C, 15°C). Limity -10°C i +70°C nie służą do monitorowania systemów gaśniczych, ale do powiadamiania o przekroczeniu dopuszczalnych warunków temperaturowych przez czujnik temperatury.
Proszę używać tych progów, jeśli nie jest wymagana górna lub dolna granica temperatury. Ze względu na tolerancje czujnika próg 0°C nie służy do ochrony przed uszkodzeniami spowodowanymi mrozem.
Czujnik temperatury jest umieszczony po lewej stronie obudowy. Nie wolno go malować ani zakrywać. Przełącznik temperatury powinien być zamontowany w pobliżu nadzorowanego systemu. Odległość między narożnikami powinna być większa niż 50 cm. Należy uważać, aby urządzenie nie było narażone na bezpośrednie działanie promieni słońca lub innych źródeł ciepła. Nie zaleca się również montażu na nieizolowanych ścianach zewnętrznych, obok drzwi, kratek wentylacyjnych i innych otworów. Podczas montażu obudowy należy zwrócić uwagę na przewody czujnika temperatury.
Dla trybu zapętlenia
Usuń wszystkie zworki z X3 i podłącz kartę systemu monitorowania SUX50, odpowiednio SUX5000 AP na X3 (przełącznik adresowania widoczny na widoku z góry). Nie naciskaj ani nie wyciągaj modułu, gdy urządzenie jest pod napięciem.
Dane techniczne
| Parametr | Wartość |
|---|---|
| Napięcie robocze | 6-30 V DC |
| Prąd spoczynkowy |
|
| Prąd alarmowy | Ok 18 mA |
| Sygnał alarmowy | LED, żółty |
| Wskaźnik zewnętrzny | Maks. 30 V DC / 30 mA, niedostępne w trybie pętli (Loop-mode) |
| Temperatura otoczenia | Od -5°C do 60°C |
| Temperatura progowa |
|
| Tolerancja dla temp. progowej | ±1,5°C |
| Rezystancja połączenia | Maks. 50 Ω, dla 32 czujników i 2 jednoczesnych alarmów |
| Kod IP | IP65, przy użyciu dostarczanych wtyczek izolacyjnych do zakrycia śrub mocujących |
| Materiał | Poliwęglan |
| Kolor wykończenia |
|
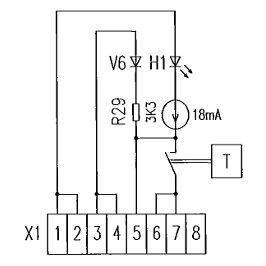
Schemat funkcyjny i wymiary

Nie dotyczy trybu pętli (Loop-mode)!
- +L: dodatnie napięcie linii (+9 V)
- -L: ujemne napięcie linii (0 V)
- +UL: dodatnie napięcie pętli
- -UL: negatywne napięcie pętli
- ext.Anz: zewnętrzny wskaźnik zadziałania
- STMU: blokada (tłumienie) sygnału usterki
| X1 | 1 | 2 | 3 | 4 | 5 | 6 | 7 | 8 | Rezystor końcowy linii... | ...między zaciskami |
|---|---|---|---|---|---|---|---|---|---|---|
| FMZ4100 | +L | +L | nc | nc | Wskaźnik zewnętrzny |
-L | -L | Ekran | 1K8 | 2 i 6 |
| SUZ3000 | +12 V | +12 V | +L | +L | -L | -L | Ekran | 10K | 4 i 6 | |
| Pętra (Loop) | STMU | STMU | +UL | +UL | nc | -UL | -UL | Ekran | - |