Systemy gaśnicze wodne Czujnik zalania
Czujnik zalania
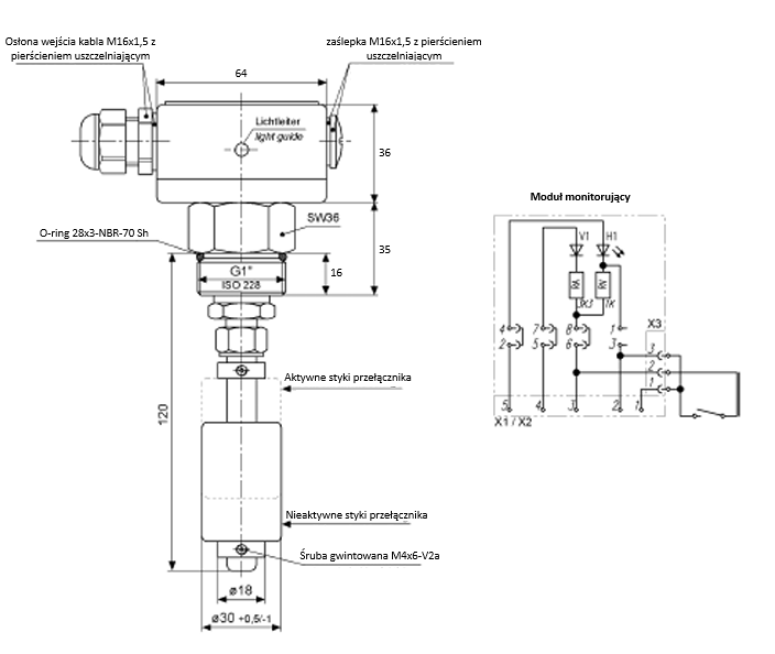
Czujnik zalania - pompa monitorująca przepływ z pływakowym przełącznikiem.

Dostawa nie zawiera
- Akcesoria do monitorowania poziomu cieczy, typ E: 898806, M2-05-04
- Karta systemu monitorującego SUX50: 800952
- System monitorujący SUX5000 AP: 906973
Konserwacja
Konserwacja zalecana jest co 1 miesiąc.
Uwaga
Ten przełącznik pływakowy z modułem monitorującym jest przeznaczony wyłącznie do stosowania z systemami monitorującymi SUZ i FMZ.
Do stosowania FZ z magistralą pierścieniową MxLoop wymagana jest karta systemu monitorującego SUX50.
Do stosowania FMZ z magistralą pierścieniową Loop AP wymagany jest system monitorujący SUX5000 AP.
Dane techniczne
| Parametr | Wartość |
|---|---|
| Typ | MAS-712 BYS |
| Nośnik | Sprężone powietrze, woda |
| Dopuszczalne ciśnienie robocze | Maks. 16 bar |
| Średnia temperatura | Maks. 80°C |
| Pozycja urządzenia | Pionowo, ±10° |
| Kod IP | IP67 |
| Materiał wykonania | Odporny na korozję |
| Napięcie | 9 V / 12 VDC |
| Obciążenie mocy, prąd | Kontrolowane obciążenie, dostosowane do systemów monitorowania FMZ |
| Styki | Zamknięcie styku przy wzroście poziomu |
| Połączenie | Maks. 2x1,5 mm2 (AWG 15) na zacisk. Zalecany: kabel alarmowy przeciwpożarowy |
| Waga | 0,53 kg |
Wymiary
